Toshiba TPH1400CQ5 Silicon N-Channel MOSFETs
Toshiba TPH1400CQ5 Silicon N-Channel MOSFETs feature an 8-pin SMT power MOSFET designed with a U-MOSX-H generation Trench process. The MOSFETs offer improved reverse recovery characteristics, including a fast 36ns reverse recovery time and a 27nC typical reverse recovery charge. The TPH1400CQ5 series reduces power loss in switching power supplies, which increases efficiency in synchronous rectification applications. The Toshiba TPH1400CQ5 Silicon N-Channel MOSFETs provide low drain-source on-resistance and low leakage current ratings, making them ideal for various power and industrial applications. Typical applications include high-efficiency DC/DC converters, switching voltage regulators, motor drivers, data centers, and communication base systems.Features
- Silicon N-channel polarity
- U-MOSX-H generation
- Single internal connection
- 8-pin SMT package
- Fast reverse recovery time
- Small reverse recovery charge
- Small gate charge
- Low drain-source on-resistance
- Low leakage current
- RoHS models available
Applications
- High-efficiency DC/DC converters
- Switching voltage regulators
- Motor drivers
Specifications
- 150V drain-source voltage rating
- ±20V gate-source voltage rating
- 77A drain current rating
- 170W power dissipation rating
- 4.5V maximum gate threshold voltage
- 14.1mΩ to 17.3mΩ drain-source on-resistance range
- 3800pF maximum input capacitance
- 8.5nC typical gate charge
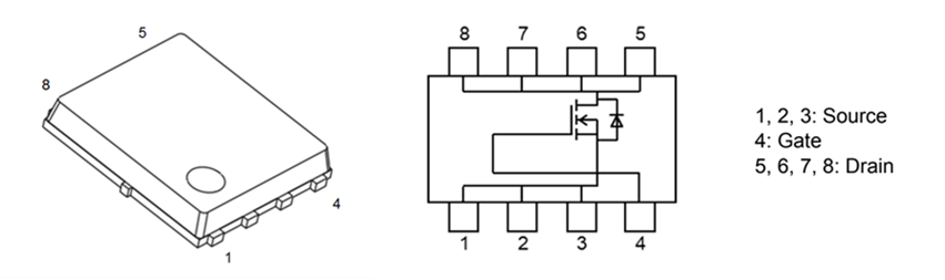
Internal Circuit Diagram
Dimensions (mm)
Publicado: 2024-07-19
| Actualizado: 2024-09-10
