Texas Instruments TUSB1002A USB 3.2 SuperSpeedPlus (SSP) Redriver
Texas Instruments TUSB1002A USB 3.2 SuperSpeedPlus (SSP) Redriver is a dual-channel USB 3.2 x1 SSP redriver and signal conditioner. The device offers low power consumption on a 3.3V supply with its ultra-low-power architecture. It supports the USB 3.2 low power modes, reducing idle power consumption. The Texas Instruments TUSB1002A implements a linear equalizer, supporting up to 16dB of loss due to Inter-Symbol Interference (ISI). Sign integrity degrades when USB signals travel across a PCB or cable due to loss and inter-symbol interference. The linear equalizer compensates for the channel loss, extends the channel length, and enables systems to pass USB compliance. The dual lane implementation and small package size provide flexibility in the placement of the TUSB1002A in the USB 3.2 path.Features
- Supports USB 3.2 x1 SuperSpeed (5Gbps) and SuperSpeedPlus (10Gbps)
- Supports PCI Express Gen3, SATA Express, and SATA Gen3
- Ultra-low-power architecture
- Active: < 300mW
- Disconnect/U2/U3: < 1.9mW
- Shutdown: < 700µW
- Adjustable voltage output swing linear range up to 1200mVpp
- No host/device side requirement
- 16 settings for up to 16dB at 10Gbps of linear equalization
- Adjustable DC equalization gain
- Hot-plug capable
- Pin-to-pin compatible with LVPE502A and LVPE512 USB 3.0 redriver
- Pin-to-pin compatible with TUSB1002 redriver
- 0°C to 70°C (commercial) and –40°C to 85°C (industrial) temperature range
- ±5kV HBM ESD
- Available in single 3.3V supply
- Available in 4mm x 4mm VQFN
Applications
- Notebook and desktop PC
- TVs
- Tablets
- Cell phones
- Active cable
- Docking stations
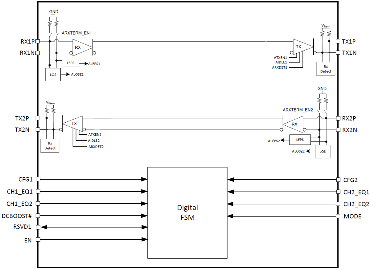
Functional Block Diagram
Publicado: 2018-06-08
| Actualizado: 2023-02-15
