Texas Instruments SN6507/SN6507-Q1 Push-Pull Transformer Driver

Texas Instruments SN6507/SN6507-Q1 Low-Emissions 36V Push-Pull Transformer Driver is a high voltage, high-frequency push-pull transformer driver delivering isolated power in a small solution size. The SN6507/SN6507-Q1 implements the benefits of push-pull topology, including simplicity, low EMI, and flux cancellation to prevent transformer saturation. The device achieves further space saving through duty cycle control, which reduces component count for wide-input ranges, and by selecting a high switching frequency, reducing the size of the transformer.

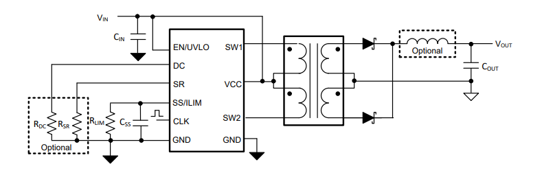
The TI SN6507/SN6507-Q1 Push-Pull Transformer Driver integrates a controller and two 0.5A NMOS power switches that switch out of phase. The driver features a programmable input operating range with precision undervoltage lockouts. Protection features on the device include over-current protection (OCP), adjustable under-voltage lockout (UVLO), over-voltage lockout (OVLO), thermal shutdown (TSD), and break-before-make circuitry. The programmable Soft Start (SS) also minimizes inrush currents and promotes power supply sequencing for critical power-up requirements. Spread Spectrum Clocking (SSC) and pin-configurable Slew Rate Control (SRC) further reduce radiated and conducted
emissions for ultra-low EMI requirements.

The SN6507/SN6507-Q1 is housed in a 10-pin HVSSOP DGQ package and is characterized by a temperature range from –55°C to 125°C. The SN6507-Q1 devices are AEC-Q100 qualified for automotive applications.

Features

  • Push-pull driver for isolation transformers
  • 3V to 36V wide input voltage range
    • Input voltage tolerance up to 60V
    • Duty-cycle control for line regulation
  • 0.5A switches with programmable current limit
  • 100kHz to 2MHz wide switching frequency range
    • Compatible with small-footprint transformers
    • Programmable switching frequency
    • External clock synchronization option
  • Low noise and emissions
    • Symmetric push-pull topology
    • Spread spectrum clocking
    • Pin-configurable slew-rate control
  • Protection Features
    • Adjustable under voltage lockout (UVLO)
    • Programmable over-current protection (OCP)
    • Overvoltage lockout (OVLO)
    • Thermal shutdown (TSD)
  • –55°C to 125°C wide temperature range
  • Programmable soft-start to reduce in-rush current
  • 10-pin HVSSOP (DGQ) package with thermal pad

Applications

  • Solar inverters, protection relays
  • Factory automation
  • Building automation
  • Medical instruments
  • Motor drives: IGBT and SiC gate-driver supplies
  • Isolated power supply for CAN, RS-485, RS-422, RS-232, SPI, I2C, low-power LAN

Block Diagram

Block Diagram - Texas Instruments SN6507/SN6507-Q1 Push-Pull Transformer Driver

Simplified Schematic

Schematic - Texas Instruments SN6507/SN6507-Q1 Push-Pull Transformer Driver
Publicado: 2022-07-28 | Actualizado: 2022-12-07