Texas Instruments ISO1500 3kVRMS RS-485/RS-422 Transceivers
Texas Instruments ISO1500 3kVRMS RS-485/RS-422 Transceivers have a 3-channel digital isolator and an RS-485 transceiver in an ultra-small 16-pin SSOP package. The bus pins of the ISO1500 Transceivers are protected against IEC ESD contact discharge and IEC EFT events. The receiver output has a failsafe for bus open, short, and idle conditions. The ISO1500 offers a small solution size reducing the board space required compared to other integrated isolated RS-485 solutions or discrete implementations with optocouplers and non-isolated RS-485 transceivers.The device is used for long-distance communications with isolation that breaks the ground loop between the communicating nodes, allowing for a much larger common-mode voltage range. The symmetrical isolation barrier of each device is tested to provide 3000VRMS of isolation for 1 minute per UL 1577. This isolation is between the bus-line transceiver and the logic-level interface. The Texas Instruments ISO1500 RS-485/RS-422 Transceivers operate from 1.71V to 5.5V on side one, which lets the devices interface with low-voltage FPGAs and ASICs and 4.5V to 5.5V on side 2. The device supports a wide operating ambient temperature range from –40°C to +125°C.
Features
- Meets or exceeds requirements of TIA/EIA-485-A
- Half-duplex transceiver
- Low-EMI 1Mbps data rate
- 1.71V to 5.5V logic-side supply (VCC1), 4.5V to 5.5V bus-side supply (VCC2)
- 1/8 unit load of up to 256 nodes on the bus
- Failsafe receiver for bus open, short, and idle
- 100kV/µs (typical) high common-mode transient immunity
- Extended temperature range from –40°C to +125°C
- Glitch-free power-up and power-down for hot plug-in
- Ultra-small SSOP (DBQ-16) package
- Safety-related certifications
- All certifications planned
- 4242VPK VIOTM and 566VPK VIORM per DIN V VDE V 0884-11:2017-01
- 3000VRMS isolation for 1 minute per UL 1577
- IEC 60950, IEC 60601, and EN 61010 Certifications
- CQC, TUV, and CSA Certifications
Applications
- Electricity meters
- Protection relay
- Factory automation and control
- HVAC systems and building automation
- Motor drives
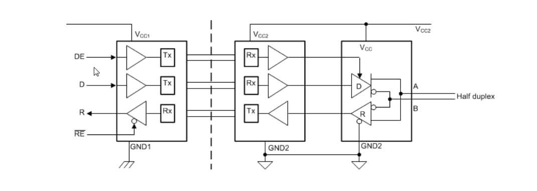
Functional Diagram
Schematic
Publicado: 2019-01-18
| Actualizado: 2023-06-05
