Texas Instruments ESD204 TVS ESD Protection Diode Array
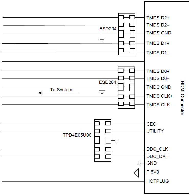
Texas Instruments ESD204 TVS ESD Protection Diode Array is a bidirectional array designed for HDMI and USB surge protection up to 5.5A (8/20µs). The ESD204 is rated to dissipate ESD strikes at the maximum level specified in the IEC 61000-4-2 international standard (Level 4). The low clamping and high differential bandwidth provided by ESD204 enables the device to cleanly pass high-speed signals while providing robust protection to downstream devices. The Texas Instruments ESD204 has a low capacitance of 0.55pF per channel, making it suitable for protecting high-speed interfaces up to 6Gbps, such as HDMI 2.0, HDMI 1.4, USB 3.0, and Ethernet 1G. The low dynamic resistance and low clamping voltage ensure system-level protection against transient events.Features
- IEC 61000-4-2 Level 4 ESD protection
- ±30kV contact discharge
- ±30kV air gap discharge
- IEC 61000-4-4 EFT protection
- 80A (5/50ns)
- IEC 61000-4-5 surge protection
- 5.5A (8/20µs)
- Low surge clamping voltage of 8.5V at 5.5A IPP
- IO capacitance
- 0.55pF (typical)
- HDMI 2.0 compliant
- 5.5V (minimum) DC breakdown voltage
- 10nA (maximum) ultra-low leakage current
- Supports high-speed interfaces up to 6Gbps
- –40°C to +125°C industrial temperature range
- Easy flow-through routing package
Applications
- End equipment
- IP network camera
- DVR and NVR
- Ethernet switches and routers
- Laptops and desktops
- Set-top boxes
- TV and monitors
- Mobile and tablets
- Interfaces
- HDMI 2.0
- HDMI 1.4
- USB 3.0
- Display Port 1.3
- PCI Express 3.0
- Ethernet 10/100/1000 Mbps
Typical Application Schematic
Publicado: 2018-05-21
| Actualizado: 2023-01-17
