Texas Instruments DAC81404EVM Evaluation Module

Texas Instruments DAC81404EVM Evaluation Module is engineered to evaluate the DAC81404 DAC. The DAC81404 is a pin-compatible family of quad-channel, buffered, high-voltage-output digital-to-analog converters (DACs) with an integrated 2.5V internal reference. The DAC81404 is specified monotonic and delivers exceptional linearity of less than 1 LSB.

The TI DAC81404EVM Evaluation Module offers prototype space for easy prototype implementation, multiple access points for all standard lab equipment, and compatibility with all smart DAC EVMs.

Features

  • Configurable circuit to evaluate DAC
  • Onboard VDD and IOVDD (1.8V or 3.3V) support
  • Trigger output is available for synchronous measurement
  • FT4232 used to write to DAC using DAC814xxEVM GUI easily
  • External SPI connections are available

Applications

  • Semiconductor test
  • Lab and field instrumentation
  • Analog output module
  • Data acquisition
  • LCD test
  • Servo drive control module

Kit Contents

  • DAC81404EVM
  • USB-A to Micro-USB cable

Functional Block Diagram

Block Diagram - Texas Instruments DAC81404EVM Evaluation Module

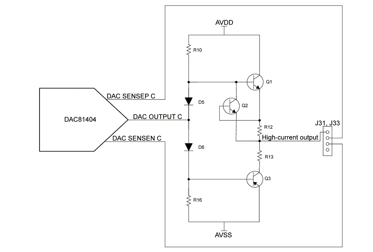
High-current Output Stage Diagram

Application Circuit Diagram - Texas Instruments DAC81404EVM Evaluation Module
Texas Instruments DAC81404EVM Evaluation Module
Publicado: 2024-04-10 | Actualizado: 2024-04-16