Texas Instruments DAC38RF8x 14-Bit PLL Digital-to-Analog Converters

Texas Instruments DAC38RF8x 14-Bit PLL Digital-to-Analog Converters provide high performance, wide bandwidth, and RF sampling. The devices are capable of dual channel input data rate up to 3.33GSPS or single-channel operation with 8 bits up to 9GSPS. A low-power JESD204B interface is offered with up to 8 lanes, with a maximum bit rate of 12.5Gbps. The input interface is capable of data rates up to 3.33GSPS at 12-bits and 2.5GSPS at 16-bit resolution without interpolation in dual channel mode. The DAC38RF82 or DAC38RF89 can be used as a complex baseband transmitter with interpolation modes from 2x to 24x and is qualified for synthesizing wideband signals up to 2GHz bandwidth with 16-bit input resolution and 2.66GHz bandwidth with 12-bit input resolution. The DAC38RF82 and DAC38RF89 support different VCO frequency ranges.

Features

  • 10mm x 10mm BGA, 0.8mm Pitch, 144-ball package
  • 14-Bit resolution, 9GSPS DAC with multimode operation
    • 16-Bit, Dual-channel data mode
      • 2.5GSPS Max input rate
      • Wideband digital up-converter
        • 1, 2, 4, 6, 8, 10, 12, 16, 18, 20, 24x Interpolation
  • 12-Bit, dual-channel data mode
    • 3.33GSPS Max input rate
    • Wideband digital up-converter
      • 1, 2, 24x Interpolation
  • 8-Bit, single-channel data mode
    • 9GSPS Max input rate
  • JESD204B Interface
    • Subclass 1 for multichip synchronization
    • 12.5Gbps Maximum lane rate
  • Differential output
    • Supports DC coupling
    • RF Full-scale output power (with 2:1 Balun): 3dBm at 2.14GHz
  • Internal PLL and VCO with bypass
    • DAC38RF82 at fC(VCO) = 5.9GHz or 8.9GHz
    • DAC38RF89 at fC(VCO) = 5GHz or 7.5GHz
  • -1.8V, 1.0V, 1.8V Power supplies

Applications

  • Arbitrary waveform generators
  • Radar and electronic warfare
  • Communications test equipment
  • Direct RF synthesis for DOCSIS 3.0/3.1
  • Microwave backhaul

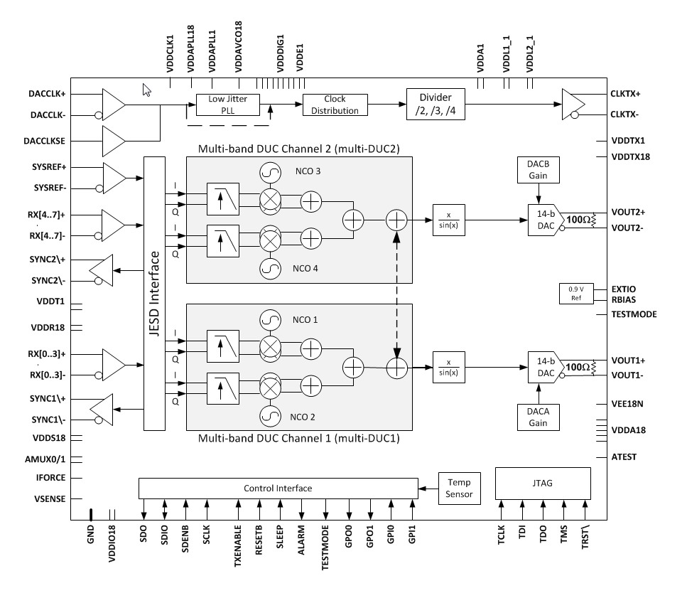
Block Diagram

Block Diagram - Texas Instruments DAC38RF8x 14-Bit PLL Digital-to-Analog Converters
Publicado: 2018-07-19 | Actualizado: 2023-01-09