ROHM Semiconductor BUxxTD2WNVX Series Full CMOS LDO Regulators
ROHM Semiconductor BUxxTD2WNVX Series Full CMOS LDO Regulators are high-performance regulators with 200mA output that is mounted on a versatile SSON004X1010 and SSOP5 packages. These regulators feature a built-in overcurrent protection circuit, thermal shutdown circuit, and are compatible with the small ceramic capacitors. The BUxxTD2WNVX full CMOS LDO regulators offer high accuracy detection and low current consumption. These regulators come with excellent noise and load responsiveness characteristics despite their low circuit current consumption of 35µA. The LDO regulators operate at the -40°C to 85°C temperature range and are ideal for power supplies for logic ICs, battery-powered portable equipment, and camera modules.Features
- High accuracy detection
- Low current consumption
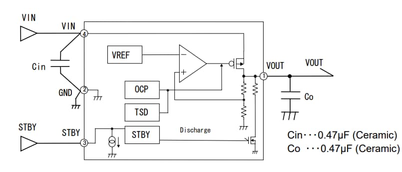
- Compatible with a small ceramic capacitor (Cin=Co=0.47uF)
- With a built-in output discharge circuit
- High ripple rejection
- ON/OFF control of output voltage
- With built-in overcurrent protection circuit and thermal shutdown circuit
- Low dropout voltage
Specifications
- 1V to 3.4V output voltage range
- ±1.0% (±25mV) accuracy output voltage
- 35μA low current consumption
- -40°C to 85°C operating temperature range
- SSON004X1010 package:
- 1mm x 1mm x 0.60mm dimensions
- SSOP5 package:
- 2.9mm x 2.8mm x 1.15mm dimensions
Block Diagram
Typical Application Circuit
Application Notes
Publicado: 2021-03-25
| Actualizado: 2022-03-11
