Qorvo TQP9111-PCB2140 Evaluation Board

Qorvo TQP9111-PCB2140 Evaluation board is designed to evaluate the TQP9111 1.8GHz to 2.7GHz 2W Power Amplifier. The TQP9111 can achieve high performance with 46dBm OIP3 and 32.dBm P1dB. The TQP9111 features a compact system design with two high-performance amplifier stages are integrated onto a module for compact system design. The integrated inter-stage match minimizes performance variation that would otherwise be attributed to external matching component value and placement tolerances.

The Qorvo TQP9111-PCB2140 Evaluation Board operates at a frequency range from 1.8GHz to 2.2GHz with a 5V supply voltage.

Features

  • 1.8GHz to 2.2GHz frequency range
  • 5V operating supply voltage
  • 30.4dB typical gain
  • 6dB to 6.2dB noise figure

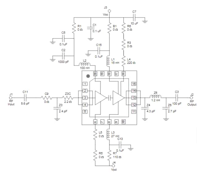
Schematic Diagram

Schematic - Qorvo TQP9111-PCB2140  Evaluation Board
Publicado: 2015-12-17 | Actualizado: 2022-03-11