Power Integrations InnoSwitch™3-PD ICs

Power Integrations InnoSwitch™3-PD ICs simplify the development and manufacturing of USB Type-C™ and USB-PD (Power Device) power supplies. This simplification is achieved by integrating primary switch and controller, isolated feedback, secondary control, and USB-PD controller into a single compact package.

Features

  • USB Type-C and PD controller
    • USB power delivery 3.0 + PPS provider and QC4 support
    • Compliant with USB Type-C Rev. 1.3
    • Integrated VCONN FETs with soft start and over-current protection
    • Supports electronically marked cables
    • Configurable pull-up resistor Rp
    • On-chip temperature sensor
    • Telemetry for power supply status and fault monitoring
    • PowiGaN™ technology – up to 100W without heat sinks
    • Dedicated NTC pin for temperature sensing
  • Highly integrated, compact footprint
    • Multi-mode Quasi-Resonant (QR) / DCM / CCM flyback controller, high-voltage switch, secondary-side sensing and synchronous rectifier driver
    • Optimized efficiency across line and load range
    • Integrated FluxLink™, HIPOT-isolated, feedback link
    • Instantaneous transient response
    • Drives low-cost N-channel FET series load switch
  • EcoSmart™ – energy efficient
    • No-load consumption as low as 14mW
    • Enables power supply designs that easily comply with all global energy efficiency regulations
    • Low heat dissipation
  • Advanced protection/safety features
    • Input voltage monitoring with accurate brown-in/brown-out and overvoltage protection
    • Output OV/UV fault detection with independently configured responses
    • Open SR FET gate detection
    • Hysteretic thermal shutdown
    • Programmable watchdog timer for system faults
    • Integrated high voltage FETs for VBUS short protection on CC1, CC2
  • Full safety and regulatory compliance
    • Reinforced insulation
    • Isolation voltage >4000VAC
    • 100% production HIPOT compliance testing
    • UL1577 and TUV (EN60950 and EN62368) safety approved
  • Green package
    • Halogen-free and RoHS compliant

Applications

  • High-efficiency USB PD 3.0 + PPS adapters for smartphones, tablets, notebooks, digital cameras, and BLUETOOTH® accessories
  • Quick Charge protocol based power adapters
  • Direct-charge mobile device chargers

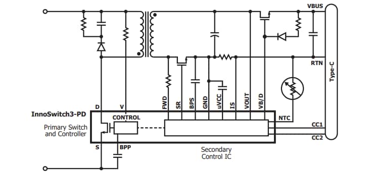
Typical Application Schematic

Schematic - Power Integrations InnoSwitch™3-PD ICs

Primary Controller Block Diagram

Block Diagram - Power Integrations InnoSwitch™3-PD ICs

Secondary Controller Block Diagram

Block Diagram - Power Integrations InnoSwitch™3-PD ICs
Publicado: 2021-10-04 | Actualizado: 2022-03-11