Power Integrations InnoSwitch™3-EP ICs
Power Integrations InnoSwitch™3-EP ICs simplify the design and build of flyback power converters, mainly those requiring high efficiency and compact size. The InnoSwitch3-EP family incorporates primary and secondary controllers and safety-rated feedback into a single IC.
The Power Integrations InnoSwitch3-EP ICs combine numerous protection features, including line over and undervoltage protection, output overvoltage and over-current limiting, and over-temperature shutdown. The devices have standard and peak power delivery options and commonly used auto-restart protection actions.
Features
- Highly integrated, compact footprint
- High efficiency across the load range
- PowiGaN™ technology, up to 100W without heat sinks
- Multi-mode Quasi-Resonant (QR) / CCM flyback controller, high voltage switch, secondary-side sensing and synchronous rectification driver
- Excellent multi-output cross-regulation with weighted Secondary-Side Regulation (SSR) feedback and synchronous FETs
- Integrated FluxLink™, HIPOT-isolated feedback link
- Exceptional CV/CC accuracy, independent of external components
- Adjustable, accurate output current sense using an external resistor
- Advanced protection/safety
- Open SR FET-gate detection
- Fast input line UV/OV protection
- Auto-restart fault response for output OVP
- 725V and 750V switches for excellent surge withstand
- 900V and 1700V switch for industrial design or extra safety margin
- EcoSmart™, energy efficient
- Less than 30mW no-load, including line sense
- Easily meets all global energy efficiency regulations
- Optional features
- Output UV protection
- With auto-restart peak power delivery
- Full safety and regulatory compliance
- Reinforced isolation
- Isolation voltage of >4000VAC
- 100% production HIPOT tested
- UL1577 isolation voltage 4000VAC (maximum), TUV (EN62368-1), CQC (GB4943.1), and DIN EN IEC 60747-17 (VDE 0884-17) safety approved
- Excellent noise immunity enables designs that achieve class “A” performance criteria for EN61000-4 suite; EN61000-4-2, 4-3 (30V/m), 4-4, 4-5, 4-6, 4-8 (100A/m) and 4-9 (1000A/m)
- Green package, Halogen-free, and RoHS-compliant
Applications
- Auxiliary, standby, and bias power supplies for appliances, computers, and consumer products
- Utility meters, smart grid, and industrial power supplies
Resources
- Product Brief
- 1250V/1700V PowiGaN for 800VDC AI Data Center Architecture Whitepaper
- Power Integrations Details 1250V and 1700V PowiGaN Technology for Next-Generation 800VDC AI Data Centers Press Release
- NVIDIA, Partners Drive Next-Gen Efficient Gigawatt AI Factories in Buildup for Vera Rubin Article
Videos
Normalized Primary Current vs. Frequency
Typical Application Schematic
Primary Controller Block Diagram
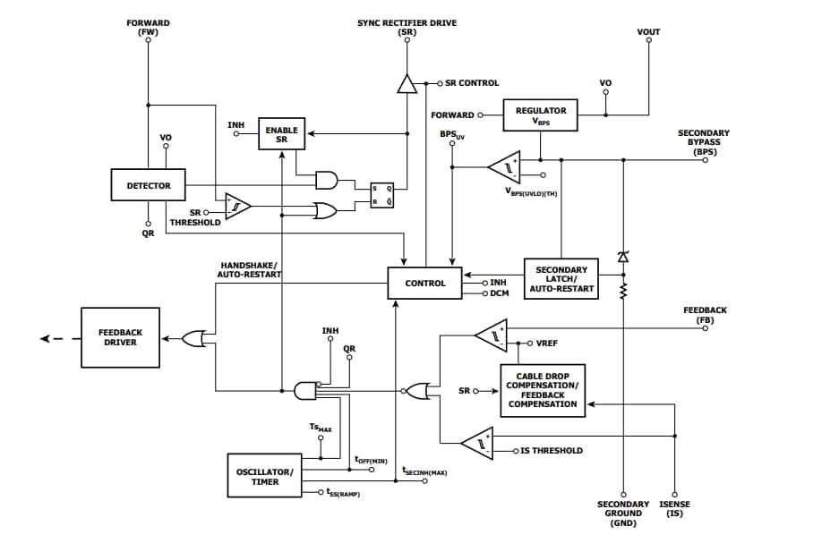
Secondary Controller Block Diagram
Publicado: 2023-09-22
| Actualizado: 2025-11-18
