Nexperia NEVB-NPS1001 Evaluation Board
Nexperia NEVB-NPS1001 Evaluation Board is a two-layer PCB incorporating the NPS1001 load switch. The NPS1001 is a low-voltage, single-channel load switch with a low RDSON (12mΩ) to minimize IR drop and power loss. It supports up to 0.6A RMS current and a peak current of 1.5A.The Nexperia NEVB-NPS1001 Evaluation Board's VIN and VOUT connections and the PCB layout routing deliver a low-resistance pathway into and out of the device under test. Test point connections enable the user to control the device with user-defined test conditions and make accurate RON measurements.
Features
- Input voltage can be supplied via the test points J3 (VIN), VIN can range from 0.5V to 1.8V
- Alternatively, there are GND test points at TP4, TP5, TP6, and TP7
- Decoupling capacitors are connected to VIN at the input of the EVB and close to the load switch IC; the same holds for the output
- A test load can be connected to terminal J4 (VOUT)
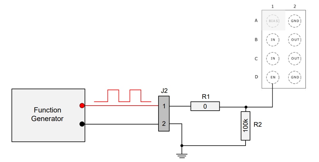
- The enable pin (EN) and the bias pin (BIAS) both have convenient connections to a pin header and miniature test point, which allows seamless oscilloscope connection while driving the pins with external sources
- VIN_Sense (TP2) and VOUT_Sense (TP8) are used when accurate measurements of the input or output are required
Applications
- Mobile phones
- Wearables
NEVB-NPS1001 enable options
Layout
Publicado: 2025-08-10
| Actualizado: 2025-09-05
