Monolithic Power Systems (MPS) MP86920 Intelli-Phase™ Solution
Monolithic Power Systems (MPS) MP86920 Intelli-Phase™ Solution contains an integrated HS-/LS-FETs and a monolithic half-bridge driver in an LGA-27 package. The device delivers 20A of continuous output current across a wide input supply range. The MP86920 integrated driver and MOSFETS result in high efficiency due to an optimal dead time and reduced parasitic inductance.The MPS MP86920 Intelli-Phase Solution works with tri-state output controllers and operates between 100kHz and 2MHz. Additionally, the device includes a general-purpose current sense and temperature sense.
The MP86920 is ideal for server and telecom applications where efficiency and small size are a premium. It is available in an LGA-27 (4mm x 5mm) package.
Features
- Wide 4.5V to 16V operating input range
- 20A Output current
- Accepts tri-state PWM signals
- Built-in switch for bootstrap
- Current sense
- Temperature sense
- Current limit protection
- Over-Temperature Protection (OTP)
- Fault reporting
- Used for multi-phase operation
- Available in an LGA-27 (4mm x 5mm) package
Applications
- Server and telecom voltage regulators
- Graphics card core regulators
- Power modules
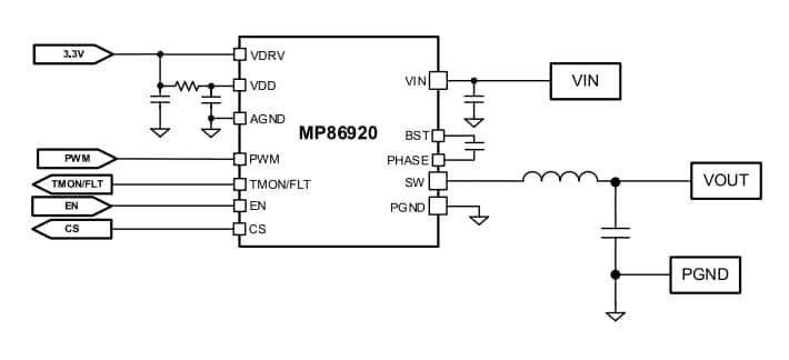
Typical Application
Publicado: 2022-11-08
| Actualizado: 2023-01-11
