Microchip Technology EVB-LAN9370 Board
Microchip Technology EVB-LAN9370 Board is a 100BASE-T1 Ethernet switch plug-in card for the SAMS70/E70/V70/V71 Xplained Ultra board. The Xplained Ultra RMII connector is used to interface with Ethernet MCU boards. The board has 4 screw terminal connectors for 100BASE-T1 physical interface switch ports and a single LED indicator for speed/link/activity status.Features
- Xplained Ultra RMII connector to interface with Ethernet MCU boards
- 4x screw terminal connectors for 100BASE-T1 physical interface switch ports
- Single LED Indicators for speed/link/activity status
Additional Resources
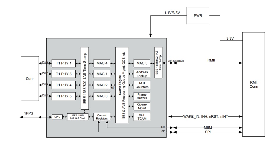
Block Diagram
Publicado: 2021-10-18
| Actualizado: 2022-11-18
