MaxLinear XR31233, XR31234, & XR31235 CAN Tranceivers
MaxLinear XR31233, XR31234, and XR31235 CAN (Controller Area Network) Transceivers provide transmit and receive signaling between a differential CAN bus and a CAN controller. These devices feature transmit and receive rates up to 1Mbps, low 3.3V power consumption, and robust Electrostatic Discharge (ESD) protection.XR31233, XR31234, and XR31235 Transceivers are designed with cross-wire protection, overvoltage protection up to ±36V, loss of ground protection, thermal shutdown protection, and common-mode transient protection of ±100V. This feature makes these rugged devices ideal for harsh environments in industrial, automotive, transportation, and building automation applications.
The low power consumption of the 3.3V supply makes the XR31233, XR31234, and XR31235 Transceivers fully interoperable with 5V-supplied Transceivers on the same bus. These devices also offer high-speed and slope control modes of operation.
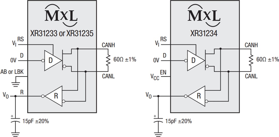
The MaxLinear XR31233 Transceiver features Loopback Mode, while the XR31235 features Autobaud Loopback Mode. The XR31234 Transceiver offers an Ultra Low Current Sleep Mode with 50nA (typical) power consumption. Each Transceiver conforms to the ISO 11898 protocol standard and all three devices are available in a compact NSOIC8 package.
Features
- Single 3.3V operation
- Up to 1Mbps data rates
- ±36V fault tolerance on analog bus pins
- Extended -25V to +25V common mode operation
- Robust ESD protection
- ±16kV HBM (bus pins)
- ±8kV contact discharge (bus pins)
- ±3kV HBM (non-bus pins)
- 11898-2 ISO compatible
- GIFT/ICT compliant
- 5V tolerant LVTTL I/O’s
- 200μA low current standby mode
- XR31233: Loopback Mode
- XR31234: 50nA Ultra Low Current Sleep Mode
- XR31235: Autobaud Loopback Mode
- Package
- 8-pin NSOIC
- JEDEC Reference: MS-012
- MSL Pb-Free: L1 @ 260ºC
- ThetaJA: 128.4ºC/W (std); 96.8ºC/W (fused)
- 4.90mm length
- 3.90mm width
- 1.65mm (max) thickness
- 1.27mm lead pitch
Applications
- Industrial control systems
- Motor and robotic control
- Building and climate control (HVAC)
- Automotive and transportation
Block Diagram
Application Diagram
