Analog Devices / Maxim Integrated MAX17703 Li-Ion Battery Charger Controller

Analog Devices MAX17703 Step-Down Li-Ion Battery Charger Controller is a high-efficiency, high-voltage, synchronous, step-down, Himalaya Li-Ion battery-charger controller designed to operate over an input voltage range of a 4.5V to 60V.

The MAX17703 Controller operates over a wide -40°C to +125°C temperature range and delivers a complete charging solution for Li-ion batteries with a ±4% accurate constant current. The output voltage is programmable from 1.25V up to (VDCIN - 2.1V) with ±1% regulation accuracy.

The Analog Devices MAX17703 Li-Ion Battery Charger Controller uses an external nMOSFET to provide input supply-side short-circuit protection, preventing battery discharge. The device charges the battery in constant current (CC) and constant voltage (CV) states and terminates in a top-up-charge state after the taper timer is elapsed.

The MAX17703 is housed in a 24-pin 4mm x 4mm TQFN package with an exposed pad.

Features

  • Optimized feature-set for Li-Ion batteries including Li-Polymer, LiFePO4 and Li-Titanate
    • ±4% Charging current regulation accuracy
    • ±6% Charging current monitor accuracy (ISMON)
    • ±1% Voltage regulation accuracy
    • Programmable Constant Current (CC) Mode Charging Current (ILIM)
    • Charge termination on full battery detection with taper current threshold and taper timer
    • Wide 4.5V to 60V input-voltage range
    • Adjustable output-voltage range from 1.25V up to (VDCIN - 2.1V)
    • 125kHz to 2.2MHz Adjustable frequency with external clock synchronization (RT/SYNC)
  • Reliable operation in adverse environmental conditions
    • Input short-circuit protection (GATEN)
    • Safety Timer Feature (TMR)
    • Deeply discharged battery detection and preconditioning (DDTH)
    • Battery temperature sensing and charge when within temperature of range (TEMP)
    • Cycle-by-cycle overcurrent limit
    • Programmable EN/UVLO threshold
    • Status output monitoring using open-drain outputs (FLG1 and FLG2)
    • Overtemperature protection
    • Complies with CISPR 32 (EN55032) class B conducted and radiated emissions
    • Wide -40°C to +125°C ambient operating temperature range/ -40°C to +150°C junction temperature range

Applications

  • Industrial battery charging and energy storage
  • Power tools and handheld terminals
  • Battery backup for lighting, security cameras, and control panels
  • Portable industrial and medical equipment
  • Building and home-automation backup power

Videos

Simplified Application Circuit

Application Circuit Diagram - Analog Devices / Maxim Integrated MAX17703 Li-Ion Battery Charger Controller

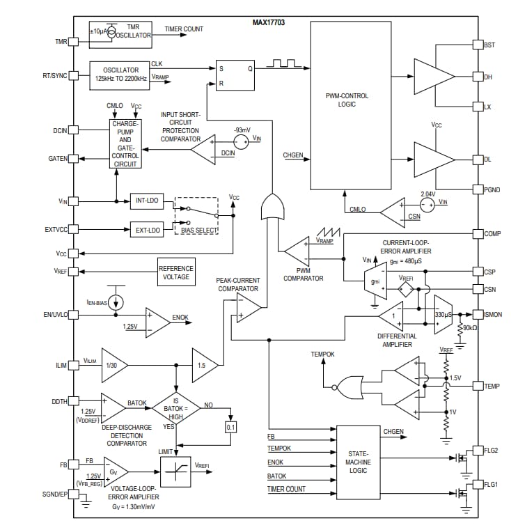
Functional Block Diagram

Block Diagram - Analog Devices / Maxim Integrated MAX17703 Li-Ion Battery Charger Controller
Publicado: 2021-05-27 | Actualizado: 2023-04-12