Analog Devices / Maxim Integrated MAX17702 Battery Charger Controller

Analog Devices MAX17702 Step-Down Lead Acid Battery Charger Controller is a high-efficiency, high-voltage, synchronous, step-down, Himalaya lead-acid (Pb-acid) battery charger controller designed to operate over an input-voltage range of 4.5V to 60V.

The Analog Devices MAX17702 Lead Acid Battery Charger Controller operates over a wide -40°C to +125°C temperature range and provides a complete charging solution for Pb-acid batteries with a ±4% precise constant-current regulation. The output voltage is programmable from 1.25V up to (VDCIN - 2.1V) with ±1% regulation accuracy. The device uses an external nMOSFET to provide input supply-side short-circuit protection, preventing battery discharge.

The MAX17702 charges the battery in constant current (CC), constant absorption voltage (CV) states, and enters floating CV state after detecting taper current threshold or absorption CV timer timeout in Absorption CV state. A deep discharge detection comparator enables the detection and preconditioning of deeply discharged batteries.

The MAX17702 is housed in a 24-pin 4mm x 4mm TQFN package with an exposed pad.

Features

  • Optimized feature-set for Pb-acid batteries
    • ±4% Charging current regulation accuracy
    • ±6% Charging current monitor accuracy (ISMON)
    • ±1% Voltage regulation accuracy
    • Programmable constant current (CC) mode charging current (ILIM)
    • Full-battery detection with taper current threshold and absorption CV timer (TMR)
    • Wide 4.5V to 60V input-voltage range
    • Adjustable output-voltage range from 1.25V up to (VDCIN - 2.1V)
    • 125kHz to 2.2MHz Adjustable Frequency with
    • External clock synchronization (RT/SYNC)
  • Reliable operation in adverse environmental conditions
    • Input short-circuit protection (GATEN)
    • Deeply discharged battery detection and preconditioning (DDTH)
    • Battery temperature sensing and charge when within temperature of range (TEMP)
    • Output voltage temperature compensation
    • Cycle-by-cycle overcurrent limit
    • Programmable EN/UVLO threshold
    • Status output monitoring using open-drain outputs (FLG1 and FLG2)
    • Overtemperature protection
    • Wide -40°C to +125°C ambient operating temperature range/ -40°C to +150°C junction temperature range

Applications

  • Industrial battery charging and energy storage
  • Power tools
  • Battery backup for lighting, security cameras, and control panels
  • Portable industrial equipment
  • Building and home-automation backup power

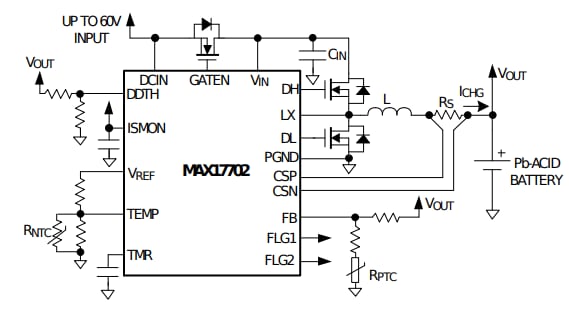
Simplified Application Circuit

Application Circuit Diagram - Analog Devices / Maxim Integrated MAX17702 Battery Charger Controller
Publicado: 2021-05-27 | Actualizado: 2023-04-12