The Analog Devices EVAL-ADXL356BZ Evaluation Board is ideal for evaluating the ADXL356 in an existing system because the stiffness and the small size minimize the effect on the system and acceleration measurements.
Features
- 2 sets of spaced vias for populating 6-pin headers
- Easily attaches to prototyping board or PCB
- Small size and board stiffness minimize impact on the user system and acceleration measurements
Required Equipment
- External host processor
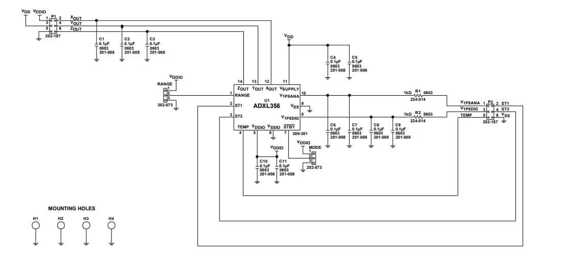
Schematic
Publicado: 2019-07-03
| Actualizado: 2024-03-12

