Analog Devices Inc. ADAR2001 4-Channel Transmitter (10GHz to 40GHz)
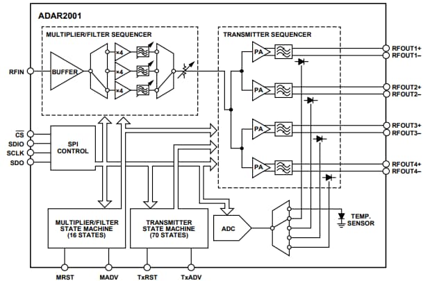
Analog Devices Inc. ADAR2001 4-Channel Transmitter (10GHz to 40GHz) is a transmitter IC optimized for millimeter-wave body scanning applications. The ADAR2001 accepts a single-ended continuous wave (CW) input signal between 2.5GHz and 10GHz. The device provides gain, 4× frequency multiplication, harmonic filtering, 1:4 signal splitting, and four independently controllable power amplifiers (PAs). It features differential outputs designed to directly drive dipole antennas with differential inputs. All device functions and configuration options are accessed by a 3-wire or 4-wire Analog Devices serial peripheral interface (SPI).Features
- 4× input frequency multiplier with programmable harmonic filter
- Quad differential output PAs with independent enable control
- 2.5GHz to 10GHz input frequency range
- 10GHz to 40GHz output frequency range
- Input power of -20dBm (50Ω)
- Output power of 5dBm differential (100Ω)
- Harmonic rejection of -20dBc to -40dBc at all frequencies
- 3- or 4-wire SPI control of all functions
- On-chip programmable state machines for fast multiplier/filter and transmitter switching and control
- On-chip temperature sensor, output power detectors, and ADC
- 450mW (2.5V supply) DC power
- 6mm × 6mm, 40-terminal LGA package
Applications
- Millimeter-wave imaging
- Security
- Medical
- Industrial
- Wideband local oscillator (LO) multiplier/distributor
Block Diagram
Resource
Enhancing Next-Generation Millimeter Wave Scanners with Edge Processing Technology
Discover how mmWave technology surpasses traditional metal detectors and how a chipset with efficient data management through edge processing enables the development of advanced walkthrough security scanning systems.
Publicado: 2020-09-21
| Actualizado: 2024-11-06
