Adam Tech DPC DisplayPort Connectors

Adam Tech DPC DisplayPort Connectors are high-bandwidth digital interface connections designed to provide true digital imaging. DPC DisplayPort connectors also feature a multitude of colors and crystal-clear sound through one small plug that can also supply power. These Adam Tech connectors include four main links, one auxiliary channel, and one hot-plug signal line. Adam Tech DPC DisplayPort connectors are designed to work with a wide range of devices, including printers, televisions, camcorders, cameras, and DVD players. The connectors are fully compatible with industry standards and are backwards compatible with VGA, DVI, and HDMI.

Features

  • Ultra-small package size
  • Hot pluggable
  • 6bpp, 8bpp, 10bpp, 12bpps, and 16bpp color depth
  • 8.64Gbit/s maximum data rate over a 2m cable
  • Can be used in applications up to 15m
  • Mates with industry-standard DisplayPort cables

Applications

  • Printers
  • TVs
  • Camcorders
  • Cameras
  • DVD players

Specifications

  • UL 94V-0 flammability rating
  • 40VAC operating voltage
  • 0.5A maximum current rating
  • 30mΩ maximum contact resistance
  • 100MΩ minimum insulation resistance
  • 500VAC dielectric withstanding voltage for 1 minute
  • 10,000 minimum mechanical mating cycles
  • -20°C to +85°C operating temperature range

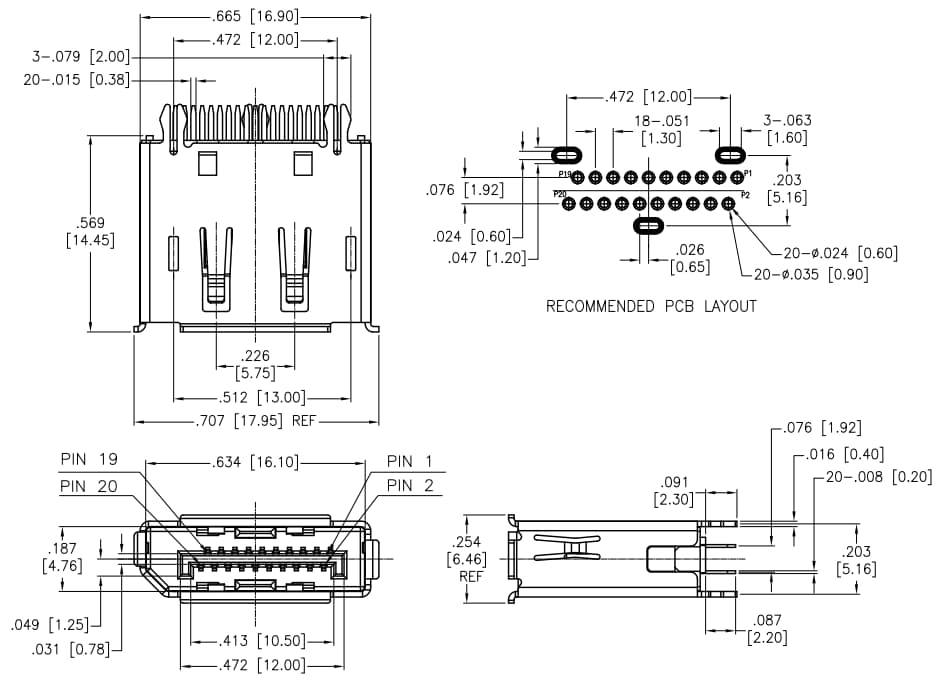
Dimensions

Mechanical Drawing - Adam Tech DPC DisplayPort Connectors
Publicado: 2026-02-20 | Actualizado: 2026-02-25